Simpler RGB Pixelcontroller

 

Zur Ansteuerung meiner RGB Lichterketten habe ich eine simple Steuerung entworfen.
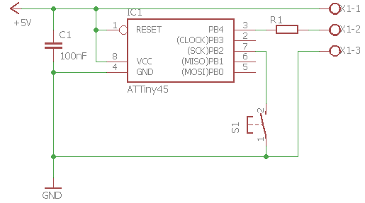
Letztlich handelt es sich nur um einen Mikrocontroller, der Daten in die Lichterkette schiebt.
Mit einem Taster kann zwischen unterschiedlichen vordefinierten Programmen gewechselt werden.

Das zuletzt gewählte Programm wird im EEPROM des Mikrocontrollers gespeichert und beim Einschalten fortgesetzt.

Da ich kein 5V Netzteil zur Hand hatte, habe ich ein Netzteil von einer defekten LED Kette benutzt und die 5V mit einem Step-Down Regler erzeugt.
Das alles passt in eine kleine Verteilerdose und ist so vor Witterung geschützt.

Die Schaltung ist mehr als simpel.
Der Widerstand R1 ist optional, bei Verwendung einer 12V Lichterkette sollte ein 1K Widerstand unbedingt verbaut werden!

Zum Schluss noch die Software für einen ATTiny45 Mikrocontroller: Download

 

 

© klaus(at)taeubl.de
11/2025